傳真:
020-82386622
郵箱:
Sales@cs-byd.com
地址:
廣州市黃埔區黃埔東路621號
遠東三螺桿泵冬季維護保養注意事項
三螺桿泵: 由一根主螺桿和兩根與之相嚙合的從動螺桿構成。
特點:主動螺桿直接驅動從動螺桿,無需齒輪傳動,結構簡單。泵體本身既作為螺桿的軸承無需再安裝徑向軸承。螺桿不承受彎曲載荷,可以制的很長,因此可獲得高的壓力。可以高速運轉是一種體積小而大流量泵,容積效率高。
利用冬季做好停用螺桿泵的保養工作,是延長螺桿泵使用壽命的關鍵。此外,冬季正常工作的螺桿泵,也需在冬季到來之前進行徹底的檢查和維修保養。
一、螺桿泵裝置的滲漏
進入冬季以后,工程機械液壓系統的密封件會出現熱脹冷縮現象,容易引起滲漏,尤其是安裝O形及橡膠圈等密封件的部位,在氣溫持續低于0℃以后,常出現漏油現象。為避系統發生滲漏故障,在進入嚴冬前就要對系統的密封件進行一次系統的檢查,及時更換滲漏部位的密封件。
二、遠東三螺桿泵是不宜輸送含有600μm以上的固體雜質的液體
泵的入口都要求配有一定要求的過濾器,進入冬季油品粘度隨溫度降低而增大,通過泵前過濾器的阻力增大,定期清理過濾器里的雜質是保證三螺桿泵平穩運行的必要工作。
三、底座緊固及聯軸器及找正
檢查底盤螺栓、螺母緊固情況,檢查轉向系統螺栓有無松動或缺失。若松動應擰緊,若缺失應配齊并擰緊。泵的冷熱交替,金屬熱脹冷縮及管路應力影響,進入冬季聯軸器的找正是機器維護的重要工作之一.找正的目的是在機器在工作時使主動軸和從動軸兩軸線在同一直線上.找正的精度關系到機器是否能正常運轉,對高速運轉的機器尤其重要.
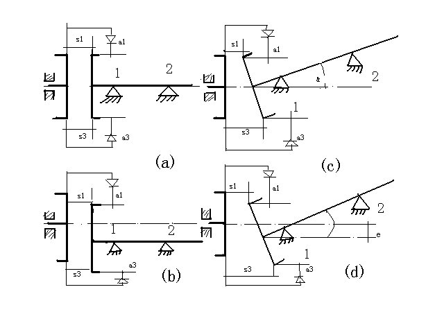
機器安裝時,聯軸器在軸向和徑向會出現偏差或傾斜,可能出現四種情況,如圖1所示。

圖1 聯軸器找正時可能遇到的四種情況

表一表1 聯軸器偏移的分析
長時間停機時,應定期盤車或是短時間啟動泵(一般宜每周一次),如若發現異常狀況,應及時進行相應處理。
四、遠東三螺桿泵正確的啟動及停止
啟動:先開閥門后開泵,停止:先關泵后關閥門 切記!
冬季長時間停機時,應定期盤車或是短時間啟動泵(一般宜每周一次),如若發現異常狀況,應及時進行相應處理。
以下事項應特別引起注意
泵嚴禁干轉。
嚴禁私自調節閥。
所有操作人員應遵守相關的機電規程。
遠東泵業30多年來一直堅持為客戶創造價值!
我們提供的不只是產品,我們提供的是服務。遠東泵業技術工程師為你提供的流體輸送解決方案。為你解決流體輸送的難題,讓你省心又省力!如果有任何關于流體輸送泵的疑問,請立即撥打遠東泵業免費咨詢熱線:4008-556-118,我們會為您提供貼心的服務!
全國服務熱線:4008-556-118
傳真:020-82386622
聯系QQ:2853715910 2853715911
公司地址:廣州市黃埔區黃埔東路621號

020-82375311


