來源:遠東泵業 發布日期
2019-05-06 14:33 瀏覽:-SPF三螺桿泵適于熱電廠,玻璃水泥建材廠,船舶,化工,制藥廠,公路瀝青攪拌站、鋼鐵廠高爐,高壓蒸汽鍋爐,燃油鍋爐,船用鍋爐,船舶工業,柴油發動機,渦輪鍋爐等燃油輸送系統或燃燒器燃油輸送噴燃應用;
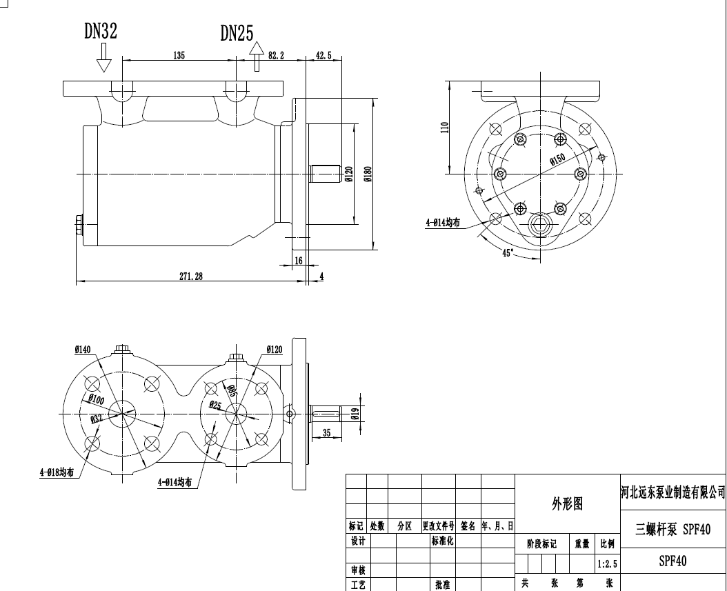
主要輸送燃料油、柴油、重油、潤滑油、液壓油、船用柴油,汽油(MDO,MGO),重型燃油HFO,車用燃油,生物油等或其它潤滑性液體,所輸介質中不得含有任何磨料顆粒和對泵材料有腐蝕的物質。
SPF系列三螺桿泵作為燃油的輸送泵和調節泵,廣泛用于油料運輸及加注,以及工業方面的管道輸送,并更多用于各種瀝青攪拌站和瀝青拌和站的燃燒器中和中小型齒輪箱齒輪減速機液壓潤滑設備。
SPF 泵為內置軸承自吸三螺桿泵,經表面氮化硬化處理的螺桿,螺桿泵體表面特殊處理,硬度為63HRC;裝在一可更換的襯套內運轉。主桿采用液壓平衡,從桿的軸向力支撐在后蓋上,并由液壓力驅動旋轉,因而螺桿型面僅傳遞液壓扭矩,并不受力,也無磨損,對全部傳動零件而言,均由被輸送介質潤滑。主桿的徑向由平衡活塞定位,且借助于平衡活塞和軸套的間隙使高壓腔和密封腔分開,在密封腔內裝有機械密封,腔內的油液回油孔與泵的吸入腔相通,因而不受排出壓力的影響。所有滑動部件由介質潤滑。軸封是采用機械密封,無泄漏且無須維修。密封室和吸進室由一個內部回路連接。軸封上的輸出壓力是獨立,只有產生吸收壓力。泵和電機由支架連接。當螺旋轉動時,密封室的三個螺旋作軸向的完全連續的運動。螺旋轉動不會引起震動。在擠壓之外,密封室容量不變。結構設計和運轉的穩定性,保證了螺桿泵操作很低的噪音和無脈動。


【本文標簽】:遠東泵業動態 大流量雙螺桿泵 大流量齒輪泵 遠東泵業新聞
【責任編輯】:遠東泵業 版權所有:http://m.businesstianjin.com.cn/轉載請注明出處